

项目名称 | 中国石油天然气股份有限公司江西吉安市高新工业园加油站改建项目 安全验收评价报告 | ||||
项目简介 | 中国石油天然气股份有限公司江西吉安市高新工业园加油站成立于2008年10月14日,企业类型:股份有限公司分公司(国有控股),负责人鄢**。该站位于江西省吉安市井冈山经济技术开发区,加油站为企业自有(建站土地为企业购买所得),经营范围为:许可项目:成品油批发,成品油零售,住宿服务,餐饮服务,食品销售,烟草制品零售,***零售,农药零售,药品零售(依法须经批准的项目,经相关部门批准后在许可**期内方可开展经营活动,具体经营项目和许可期限以相关部门批准文件或许可证件为准)一般项目:润滑油销售,日用陶瓷制品销售,汽车销售,新能源汽车整车销售,新能源汽车换电设施销售,新能源汽车电附件销售,互联网销售(除销售需要许可的商品),汽车装饰用品销售,日用品销售,单用途商业预付卡代理销售,日用化学产品销售,劳动保护用品销售,家用电器销售,塑料制品销售,婴幼儿配方乳粉及其他婴幼儿配方食品销售,食品用洗涤剂销售,饲料添加剂销售,肥料销售,洗车服务,农副产品销售,五金产品零售,办公用品销售,第二类医疗器械销售,充电桩销售,农作物种子经营(**不再分装的包装种子),广告设计、代理,电子过磅服务,化妆品零售,畜牧渔业饲料销售,消毒剂销售(不含危险化学品),汽车零配件销售,电车销售,机动车修理和维护,家具销售,日用百货销售,集中式**充电站,针纺织品销售,住房租赁(除依法须经批准的项目外,凭营业执照依法自主开展经营活动)。 该加油站于2023年3月15日经吉安市商务局核准换发成品油零售经营批准证书,证书编号:油零售证书第吉0227号。**期由2023年3月15日至2028年3月14日。于2023年9月8日由吉安市应急管理局核准焕发了新的危险化学品经营许可证,证书编号:赣吉危化经字【2023】360800000054号。**期由2023年9月8日至2026年9月7日。 该站为了加强加油**引导疏通,缓解交通拥堵需求,中国石油天然气股份有限公司江西吉安销售分公司决定该站在原址基础上进行改建,并于2021年9月26日取得由井冈山经济技术开发区行政审批局盖章的《江西省企业投资项目备案通知书》,后因资金未到位,备案时间已*过2年未动工,该备案通知书已自动失效。2023年11月15日重新备案并取得由井冈山经济技术开发区行政审批局盖章的《江西省企业投资项目备案通知书》,同意该站在原址上改建。 该加油站改建前情况如下:1台30KVA杆式变压器、一层辅房。 改建后情况如下:加油站东侧新建罩棚二,新建2台加油岛并新建2台4枪加油机(1台为92#汽油/98#汽油/92#汽油/98#汽油4枪加油机、1台为92#汽油/95#汽油/92#汽油/95#汽油4枪加油机),拆除原有的一层辅房新建站房二,拆除原有的1台30KVA杆式变压器新建箱式变压器(630KVA,按丙类厂房确定),工艺管线进行更换。加油站内其他设施利旧。 中国石油天然气股份有限公司江西吉安销售分公司2023年11月委托广东万思邦科技有限公司编制《中国石油天然气股份有限公司江西吉安市高新工业园加油站改建项目安全条件评价报告》,并于2023年11月20日取得《危险化学品建设项目安全条件备案告知意见书》(吉市危化项目安条备字[2023]14号)。 中国石油天然气股份有限公司江西吉安销售分公司2024年1月委托哈尔滨天源石化工程设计有限责任公司编制《中国石油天然气股份有限公司江西吉安市高新工业园加油站改建项目安全设施设计》,并于2024年1月25日取得《危险化学品建设项目安全设施设计审查意见书》(吉市危化项目安设审字〔2024〕2号)。 | ||||
委托单位联系人 | 李剑 | 联系电话 | 18679610828 | ||
项目组长 | 刘于萍 | 技术专家 | —— | ||
报告编制人 | 刘于萍、龙镜生 | 报告审核人 | 邬长福 | ||
技术负责人 | 黄伯良 | 注册安全工程师 | —— | ||
过程控制负责人 | 刘赟 | 参与评价安全评价师 | 龙镜生、陈嘉鸣 | ||
现场工作人员 | 龙镜生、陈嘉鸣 | ||||
主要任务 |
现场收集企业基本信息,为保障评价对象建成或实施后能安全运行,应从评价对象的总图布置、功能分布、工艺流程、设施、设备、装置等方面提出安全技术对策措施;从评价对象的组织机构设置、人员管理、物料管理;应急救援管理等方面提出安全管理对策措施;从**评价对象安全运行的需要提出其他安全对策措施。
| ||||
现场工作时间 | 2024.11 | 报告提交时间 | 2025.3 | ||
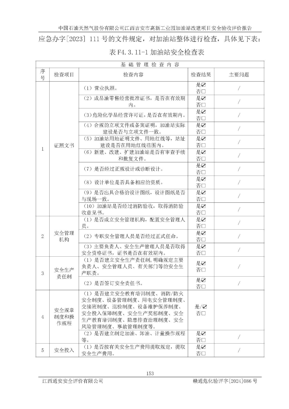
其它 | 在对该项目危险、有害因素辨识分析的基础上,运用安全检查表、预作业条件危险性分析法、危险度评价、重大事故后果分析结果等评价方法对该项目进行了分析评价,评价结果如下: 1、该项目位于江西省吉安市井冈山经济技术开发区,符合当地规划,与周边环境的距离符合有关标准、规范的要求。 2、总图布置分区明确,布局合理,各建构筑物的防火间距满足规范要求。 3、该项目无**明令淘汰的工艺,设备、设施与工艺条件、内部介质相适应,特种设备及设施较齐全,按规定设置防雷、防静电接地,爆炸危险环境加油机按要求采用防爆型,符合相关标准规范要求。 5、企业设置了安全生产管理机构,配备了专职安全生产管理人员,建立了安全生产责任制和安全生产管理制度,编制了岗位操作规程,编制了生产安全事故应急预案,人员经过相应的培训,企业的安全生产管理正常。 6、作业条件危险性评价结果:在选定的评价单元中,作业危险程度均为“一般危险,需要注意”,作业条件相对安全。 7、危险度评价结果:汽油储罐的危险程度为**危险。其设置了当油料达到油罐容量90%时,触动高液位报警装置,油料达到油罐容量95%时,自动停止油料继续进罐。同时,也采取了防止油品渗漏的保护措施,如采用双层油罐,渗漏检测在线检测系统,埋地加油管道采用双层管道及双层管道渗漏检测系统等可以满足安全生产条件要求。 评价结论: 中国石油天然气股份有限公司江西吉安市高新工业园加油站工艺设备和安全设施运行正常,安全管理机制运行正常,安全设施、措施达到设计要求和预期结果,可以满足建设项目安全生产的要求,安全生产管理**,项目具备危险化学品经营单位安全经营条件的要求。 | ||||
评价师照片 | |||||
















































































































































































